Regeneration of vital organs of mammals in fetal period
- Authors: Malyshev I.I.1, Alpidovskaya O.V.2, Romanova L.P.2
-
Affiliations:
- Mari State University
- I.N. Ulianov Chuvash State University
- Issue: Vol 160, No 3 (2022)
- Pages: 151-159
- Section: Original Study Articles
- Submitted: 28.03.2023
- Accepted: 19.07.2023
- Published: 15.07.2022
- URL: https://j-morphology.com/1026-3543/article/view/321706
- DOI: https://doi.org/10.17816/morph.321706
- ID: 321706
Cite item
Full Text
Abstract
BACKGROUND: This study is relevant owing to the importance of fetal regeneration of pathologically altered organs in mammals for fundamental science and practical medicine.
AIM: To elucidate the regenerative potential of the cardiac, brain, and liver tissues in fetuses during fetal development following mechanical trauma.
MATERIALS AND METHODS: As experimental animals, 12 mature female chinchilla rabbits weighing 3900–4350 g and 30 outbred female rats weighing 265–280 g were examined. Mechanical trauma to the heart and brain was inflicted on rabbit fetuses (n=50) and to the liver of rat fetuses. The operated fetuses (n=84) were withdrawn from the experiment 1, 3, 5, 7, 9, 11, 15, and 30 days after the operation. Histological, morphometric, electron microscopic, and immunohistochemical methods were employed.
RESULTS: Following the healing of mechanical trauma in the heart of rabbit fetuses, the necrotic area was completely restored. In rate fetuses, the liver did not fully regenerate, and the fibrotic area at the site of the dead tissue only decreased. The brain of rabbit fetuses did not fully recover, and a glial scar appeared in the place of the dead tissue. The difference in the healing outcomes of organ damage in fetuses is associated with the absence of an exudative reaction to injury in the heart of rabbit fetuses, whereas in rat fetuses, this reaction occurred during injury. In the nervous tissue, the activation of the protein synthetic function of neurocytes was recorded, which can be regarded as a sign of intracellular regeneration.
CONCLUSIONS: The results suggest that the vital organs of mammalian fetuses have high regenerative potencies.
Full Text
ОБОСНОВАНИЕ
Создание методик (оперативное вмешательство, физические воздействия), влияющих на ход репарации жизненно важных органов [1–4], — перспективное направление науки. У плодов, особенно на ранних стадиях беременности, выявлены высокие регенеративные свойства тканей, например кожи, которая отлично регенерирует без рубца [5, 6], сухожилий и конечностей [7, 8], тонкого кишечника (у кроликов) [9], почек (у крыс) [10]. Есть данные, что эндогенные кардиомиоциты плода у низших млекопитающих также способны к регенерации при повреждении сердца [11–15]. Разработанные методики легли в основу нового направления в клинической медицине — фетальной хирургии [13, 14]. В эксперименте современная фетальная хирургия позволяет осуществлять щадящие травмирующие воздействия на плод, обеспечивая ему и матери выживание после вмешательства.
Цель исследования — изучить регенеративный потенциал сердечной, мозговой ткани и ткани печени у плодов в ходе внутриутробного развития после механической травмы.
МАТЕРИАЛЫ И МЕТОДЫ
В качестве экспериментальных животных были взяты 12 половозрелых самок кроликов породы шиншилла массой тела 3900–4350 г и 30 белых беспородных самок крыс массой тела 265–280 г. Плоды кроликов (n=50) использовали для изучения регенерации сердца и головного мозга, так как эти органы на 19–21-е сутки внутриутробного развития достигали значительных размеров, что облегчало нанесение им стереотипного механического повреждения. Изучение регенеративных процессов в мозгу и сердце плодов крыс (n=84) затруднено из-за их небольших размеров, но размеры печени позволяли исследовать последствия её механического повреждения.
Для изучения регенерации сердечной и мозговой ткани у плодов кроликов использовали оригинальную методику нанесения органу стереотипной механической травмы [15]. В результате фетального хирургического вмешательства травму сердца наносили путём прокалывания стальной иглой диаметром 1,5 мм передней грудной стенки плода на уровне 4–6-го межреберья. Плоды для гистологического исследования извлекали повторной лапарототомией; из эксперимента их выводили ежедневно в сроки от одних до шести суток от начала эксперимента с помощью золетилового наркоза (из расчёта 5 мг на 100 г массы тела).
Сердца отдельных плодов исследовали на 9-е и 11-е сутки от начала эксперимента. Контролем служили сердца новорождённых крольчат (n=25), которым повреждение сердца иглой с ограничителем осуществляли через переднюю грудную стенку в первые сутки после рождения.
Травмирование головного мозга плодов кроликов осуществляли по той же методике иглой с ограничителем, прокалывая голову плода в верхней части теменной области, отступив на 1 мм правее от средней линии.
Для гистологического исследования оперированные плоды извлекали из матки лапаротомией. Всего было получено 78 плодов с повреждением мозга, их выводили из эксперимента золетиловым наркозом ежедневно в сроки от 1-х до 6-х суток, затем на 7-е и 9-е сутки. Контролем была ткань головного мозга новорождённых крольчат, которым в 1-й день жизни стальной иглой с ограничителем выполняли прокол мозга через кожу и кости черепа в том же месте, что и у плодов (n=40).
Самки операцию переносили хорошо. Спустя 1,5–2,0 мес они снова беременели и рожали здоровых крольчат (некоторые самки были задействованы в опыте повторно).
Модель для исследования регенерации печени после механической травмы у плодов была разработана на крысах [16]. Травму печени плодам наносили на 17–19-е сутки беременности. В результате фетального хирургического вмешательства печень прокалывали стальной иглой диаметром 1,5 мм. Оперированные плоды извлекали в ранние сроки повторной лапаротомией; в поздние сроки (начиная с 5-х суток после операции) крысы рожали самостоятельно. Оперированные плоды (n=84) выводили из эксперимента в сроки 1, 3, 5, 7, 9, 11, 15 и 30 сут после операции. Контролем служили новорождённые крысята (n=30), которым механическое повреждение печени осуществляли в первые сутки после рождения.
После выведения животных из эксперимента головной мозг, сердце, печень извлекали полностью, фиксировали в 10% нейтральном формалине и заливали в парафин. Серийные срезы окрашивали гематоксилином и эозином, по Ван-Гизону; срезы головного мозга дополнительно окрашивали по Нисслю.
Электронная микроскопия выполнена у трёх плодов кроликов на 6-е сутки после операции. Кусочки для исследования вырезали из очага повреждения миокарда и в удалении на 2–3 мм от него, фиксировали в OsO4 и заключали в эпон. Ультратонкие срезы изготавливали на ультратоме LKB-8800 (Швеция), окрашивали уранил- ацетатом и цитратом свинца. Препараты изучали с помощью электронного микроскопа УЭМВ-100В (Россия).
В ходе морфометрического исследования митозы, двуядерные клетки в миокарде и печени подсчитывали на 7000 ядер при увеличении ×900 и оценивали в промилле. Площадь (мкм²) гепатоцитов, площадь повреждения в головном мозге, сердце, печени определяли с помощью микроскопа Axio Scope A1 (Carl Zeiss, Германия) с применением программы SigmaScan Pro (Польша).
Иммуногистохимический анализ применяли для определения пролиферативной активности гепатоцитов: исследовали Ki-67, поликлональные антитела (Santa Cruz Biotechnology, США). Иммуногистохимическое исследование проводили по следующей методике: срезы толщиной 3 мкм наносили на высокоадгезивные стёкла, обработанные L-polisine, и высушивали при комнатной температуре в течение 24 ч. Окраску проводили аппаратным способом с использованием Autostainer-360 (Epredia, Япония) и Bond-maX (Leica Microsystems, Германия) и систем визуализации EnVision (DACO, Дания) и NovoLink polimer (NovoCastra, Великобритания). Для контроля чувствительности и специфичности реакции использовали неиммунизированные кроличьи и мышиные сыворотки, а также срезы контрольных тканей печени. Подсчитывали число окрашенных ядер на 200 ядер гепатоцитов в 10 полях зрения, вычисляли их относительное содержание.
Статистический анализ
Статистическую обработку выполняли в программе Statistica 10.0 (StatSoft Inc., США). Для выявления значимых различий между экспериментальными и контрольными группами использовали U-критерий Манна–Уитни при уровне значимости p <0,001.
Этическая экспертиза
Исследование выполнено в соответствии с принципами гуманности, изложенными в Директиве Европейского Парламента и Совета Европейского Союза (86/609/ЕЭС), принципами Хельсинкской декларации, а также ГОСТ Р 53434–2009 от 1 марта 2010 г. «Принципы надлежащей лабораторной практики» (идентичен GLP OECD)). Исследование одобрено этическим комитетом Чувашского государственного университета (протокол № 7).
РЕЗУЛЬТАТЫ
Макроскопически след от прокола у плодов кроликов определялся в средней трети передней стенки левого желудочка сердца и подтверждался гистологически очагом некроза площадью 2835,7±253,7 мкм2, который был представлен бесструктурной массой, окрашенной эозинофильно. В миокарде левого желудочка, в наибольшей степени на границе с некротизированным участком, появлялось большое количество митозов мышечных клеток. Здесь же имелись немногочисленные лимфоциты и макрофаги. Наибольшее количество митозов отмечено в промежутке от 1 до 4 сут (23,6±3,6 — на 4-е сутки; в контроле — 12,6±4,0) после операции, в дальнейшем интенсивность пролиферативной реакции постепенно уменьшалась до контрольных цифр (10,9±4,3 — на 6-е сутки; в контроле — 10,2±2,7). Определялись все фазы митотического цикла, в том числе и поздние телофазы. В миокарде значимо увеличивалось число двуядерных кардиомиоцитов: 35,2±6,3 — на 6-е сутки; в контроле — 18,0±3,5.
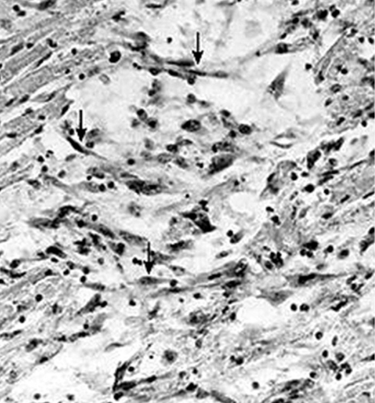
Наряду с пролиферацией кардиомиоцитов на 2–4-е сутки после травмы в очаге повреждения и на границе с ним в сохранившейся ткани определялись низкодифференцированные структуры мышечного типа. В одних случаях это были концевые отделы повреждённых кардиомиоцитов на границе с участком повреждения, вдающиеся в участок травмы на некоторое расстояние. При этом они приобретали булавовидную форму, цитоплазма их окрашивалась эозином слабо и была полностью лишена исчерченности; концевые отделы этих образований содержали большое число ядер (рис. 1). В других случаях низкодифференцированные структуры представляли собой крупные клетки веретенообразной формы, лежащие в очаге повреждения. От фибробластов эти клетки отличались окраской цитоплазмы эозином и равномерно распределённым по крупному ядру нежным хроматином (в отличие от глыбчатого расположения хроматина в ядрах фибробластов). Эти образования очагово объединялись в группы, формируя цепочки (рис. 2).
Рис. 1. Сердце плода кролика на 3-и сутки после операции: дедифференцированный концевой отдел повреждённого кардиомиоцита на границе с очагом травмы. Окраска гематоксилином и эозином, ×900.
Fig. 1. The heart of a rabbit fetus on the 3rd day after surgery: the dedifferentiated terminal section of the damaged cardiomyocyte is on the border with the focus of injury. Stained with hematoxylin and eosin, ×900.
Рис. 2. Сердце плода кролика на 4-е сутки после операции: низкодифференцированные элементы мышечного типа в очаге повреждения (стрелки). Окраска гематоксилином и эозином, ×400.
Fig. 2. Heart of a rabbit fetus on the 4th day after surger: poorly differentiated elements of the muscular type in the lesion (arrows). Stained with hematoxylin and eosin, ×400.
Начиная с 3–4-х суток, по мере освобождения участка травмы от некротизированной ткани, в периферических отделах определялись тонкие, нежные волокна, окрашивающиеся эозином в красный цвет. На 6-е сутки участок повреждения заполнялся волокнами, которые по морфологическим критериям соответствовали поперечно-полосатой сердечной мышечной ткани, хотя были более тонкими и окрашивались эозином более бледно. Очаги соединительной ткани отсутствовали. Аналогичное повреждение, выполненное с целью контроля у крольчат 1-х суток жизни, неизбежно приводило к развитию на месте повреждения соединительной ткани.
Механическая травма головного мозга у плодов кроликов располагалась в правом полушарии на 1 мм латеральнее от середины продольной щели большого мозга.
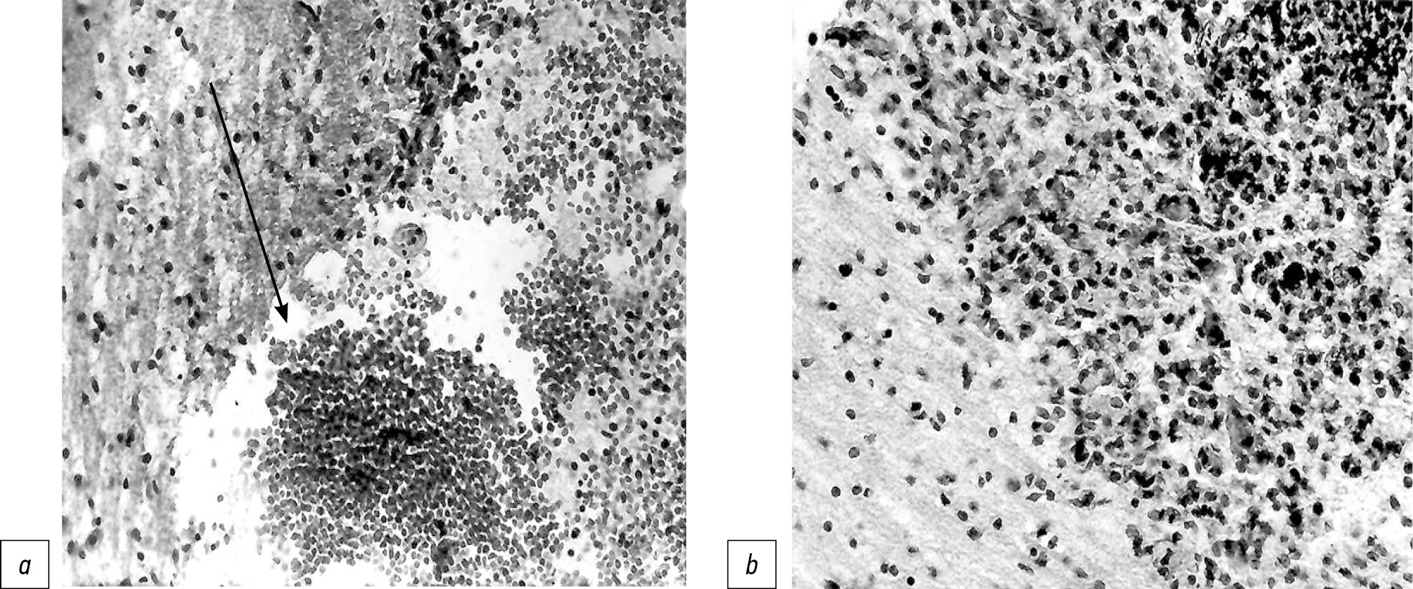
Очаг повреждения имел площадь 4091,7±381,8 мкм2. В первые сутки после операции он был представлен полостью, заполненной бесструктурными массами (рис. 3, a). На 2–3-е сутки после операции вокруг очага некроза скапливалось умеренное число глиальных клеток (преимущественно астроцитов), среди которых находились клетки макрофагального типа (вплоть до формирования зернистых шаров на 3–5-е сутки). На 5-е сутки после операции отмечалась пролиферация астроцитов (рис. 3, b). Через 7–9 сут на месте повреждения обнаруживалась небольшая полость, окружённая тонкой глиальной капсулой, а позднее в мозговой ткани выявлялся небольшой глиальный рубец.
Рис. 3. Головной мозг плода кролика, травмированное полушарие: a — зона повреждения (1-е сутки после операции); b — участок мозговой ткани вблизи от зоны повреждения, пролиферация астроцитов с примесью небольшого количества молодых соединительнотканных клеток (5-е сутки после операции). Окраска гематоксилином и эозином, ×400.
Fig. 3. The brain of a rabbit fetus, injured hemisphere: a — damage zone (on the 1st day after surgery); b — area of brain tissue close to the damaged area, proliferation of astrocytes with an admixture of a small amount of young connective tissue cells (on the 5th day after the operation). Stained with hematoxylin and eosin, ×400.
В значительной части нейроцитов вблизи и в удалении от повреждения в ранние сроки после операции отмечались умеренно и резко выраженные явления ретроградной дегенерации: центральный хроматолиз, краевое расположение ядер, набухание клеточного тела. Часть клеток погибала и превращалась в «тени». На 3–5-е сутки начинали преобладать отёчные изменения: в нейроцитах происходило ослабление базофилии цитоплазмы, распыление хроматофильной субстанции, гиперхромия, угловатость ядер. В ряде клеток наблюдался светлый ободок вокруг ядра; встречались клетки, превратившиеся в прозрачный пузырёк с остатками ядра и цитоплазмы. По всему полушарию отмечена пролиферация глиоцитов, часто имели место картины двуядерных астроцитов. По мере ослабления деструктивных изменений в полушарии большого мозга наблюдалось значимое увеличение числа многоядрышковых нейроцитов (14,3±1,4‰; у контрольных животных — 9,1±2,2‰), что свидетельствовало об активации синтеза белка [17]. Выявленные признаки могут свидетельствовать также о внутриклеточной регенерации.
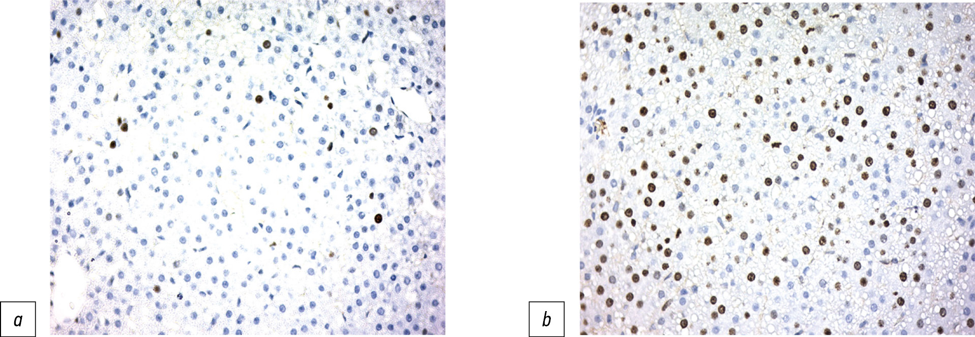
В печени после нанесения травмы сформировалась зона некроза, представленная розовой аморфной массой с примесью эритроцитов, в которой определялись гепатоциты с размытыми границами с признаками кариолизиса. Площадь повреждения составляла 3085,7±368,3 мкм2. С 1-х суток после операции в печени нарастало число митозов гепатоцитов (4,5±1,4; в контроле — 1,5±0,7). Активация митотической активности гепатоцитов подтверждалась повышенным количеством у опытных плодов Ki-67-позитивных ядер в гепатоцитах по сравнению с контрольными животными (15,3±0,7 на 7-е сутки; в контроле — 6,4±0,8) (рис. 4). Пик митозов наблюдался в сроки от 2 до 7 сут (8,0±3,5 — на 7-е сутки; в контроле — 3,6±0,7). Начиная с 7-х суток по мере снижения числа митозов увеличивалось число двуядерных гепатоцитов (38,1±5,2 — на 7-е сутки; в контроле — 25,3±4,5), что продолжалось до конца эксперимента (37,1±4,6 — на 30-е сутки; в контроле — 26,4±3,6).
Рис. 4. Позитивная реакция ядерного белка Кi-67 в ядрах гепатоцитов, 7-е сутки после операции: а — контрольное животное; b — опытное животное. Иммунногистохимическое окрашивание, ×400.
Fig. 4. Positive reaction of the nuclear protein Ki-67 in nuclears of hepatocytes, 7th day after the operation: а — control animal; b — experienced animal. Immunohistochemical staining, ×400.
Активация пролиферации гепатоцитов сопровождалась их гипертрофией (307,4±5,4 мкм2 — на 7-е сутки; в контроле — 273,6±24,6 мкм2). Несмотря на активное митотическое деление гепатоцитов, через 11 сут на месте погибшей ткани печени возникала соединительная ткань. Однако размеры очага фиброза у опытных крысят были почти на 40% меньше, чем у контрольных крысят, оперированных в первый день жизни (в опыте — 908,3±36,2 мкм2, в контроле — 1264,5±52,7 мкм2).
ОБСУЖДЕНИЕ
В ходе исследования получены неоднозначные результаты в отношении полноты регенерации исследуемых органов.
Наши результаты сопоставимы с данными других исследователей [11–13], что после механической травмы сердца у плодов кроликов выявлена полная регенерация небольшого участка миокарда. Заживление осуществлялось за счёт пролиферации кардиомиоцитов и образования низкодифференцированных структур мышечного типа.
Поперечно-полосатая сердечная мышечная ткань относится к высокоспециализированным тканям, которые в постнатальном онтогенезе теряют способность к регенерации эпиморфозом. Однако ряд биологов-экспериментаторов выдвинули тезис о том, что полноценная регенерация нерегенерирующих тканей может быть достигнута при изменении условий. Реализация этого тезиса в условиях эксперимента позволила получить полное восстановление кости, хряща [1, 2] после повреждения; это позволяет оптимистично взглянуть на дальнейшие поиски условий, способствующих полной регенерации высокоспециализированных тканей. Результаты экспериментальных работ, посвящённых регенерации миокарда млекопитающих, птиц, земноводных после повреждения, констатируют отсутствие полной регенерации мышечных элементов сердца [17, 18]. Однако известны немногочисленные исследования, в которых приводятся факты полного восстановления миокарда у млекопитающих в постнатальном онтогенезе [19]. В патологоанатомической практике известны также секционные случаи, описывающие отсутствие рубца в миокарде при наличии инфаркта миокарда в анамнезе. В проведённом исследовании в повреждённом миокарде плодов кроликов происходит образование низкодифференцированных мышечных элементов, которые, судя по конечному результату, трансформируются в кардиомиоциты. Положительным мы считаем установление факта, что такие элементы появились в миокарде уже на фоне полностью осуществлённого органогенеза. Это может свидетельствовать о том, что образование низкодифференцированных элементов принципиально возможно в сердце и в постнатальном онтогенезе в частности. Таким образом, возможность полноценной регенерации миокарда у млекопитающих даже после рождения может быть достигнута при определённых условиях.
Одним из таких условий, выявленных в настоящем экспериментальном исследовании, можно считать тот факт, что повреждение миокарда плодам кролика наносили на 19–21-й дни беременности. При отсутствии экссудативной реакции, не свойственной этому периоду внутриутробного развития плода, в сердце возникает выраженная пролиферация кардиомиоцитов с формированием низкодифференцированных мышечных элементов, которые заполняли погибший участок и в дальнейшем трансформировались в полноценные кардиомиоциты.
Аналогичные операции, выполненные новорождённым крольчатам 1-го дня жизни, приводили к заживлению участка повреждения по типу субституции, что было обусловлено, на наш взгляд, возникшей после рождения экссудативной реакцией на повреждение. Таким образом, полная регенерация миокарда у кроликов, по-видимому, возможна во втором триместре беременности, когда у плода отсутствует экссудативная реакция в ответ на травму.
Повреждение головного мозга не приводит к полному восстановлению мозговой ткани. Однако у плодов кроликов после механической травмы головного мозга выявлялось значительное увеличение количества двух- и многоядрышковых нейроцитов, что свидетельствовало о напряжённости белок-синтетической функции нервных клеток [17]. Происходящие изменения, по-видимому, можно интерпретировать как активацию репаративных процессов в головном мозге после его повреждения.
Особый интерес представляет регенерация печени у плодов, так как известна исключительная способность этого органа к регенерации даже после рождения. Заживление повреждения у плодов происходило на фоне гипертрофии и значительного увеличения в печени митозов, дву- и многоядерных гепатоцитов. Однако, несмотря на выраженную пролиферативную реакцию гепатоцитов, подтверждающуюся морфометрически и иммуногистохимически, в итоге на месте гибели ткани печени возникал очаг фиброза.
Таким образом, у плодов крыс в поздние сроки внутриутробного развития регенерация печени осуществляется, как и у животных после рождения, путём регенерационной гипертрофиии [3, 5, 20]. Возможно, полученные результаты объясняются тем, что повреждение печени плодам крыс наносили за 4–5 дней до рождения, когда регенераторные процессы протекали на фоне возникшей (характерной для позднего периода внутриутробного развития) экссудативной реакции, которая препятствовала полноценному восстановлению структуры органа.
Данные, полученные в настоящей работе, подтверждаются и исследованием А.В. Ельчанинова [20], в котором автор показал, что и после значительного повреждения (удаление 25% печени) у 17-суточных плодов крыс способом восстановления является регенерационная гипертрофия.
ЗАКЛЮЧЕНИЕ
Заживление механических повреждений в миокарде и головном мозге плодов кроликов, а также в печени плодов крыс сопровождается резкой активацией регенераторных процессов, проявляющихся пролиферацией клеток. Регенерация миокарда путём реституции у плодов кроликов возможна на границе второго и третьего триместра беременности, когда у них отсутствует экссудативная реакция. Полной регенерации нервной ткани головного мозга у плодов кроликов не происходит.
Регенерация печени у плодов крыс после механической травмы, нанесённой в поздние сроки беременности, осуществляется путём регенерационной гипертрофии, что свойственно этому органу и в постнатальном периоде. Возможно, это связано с возникновением в позднем периоде беременности экссудативной воспалительной реакции в ответ на повреждение, которая подавляет регенерацию и стимулирует фибробластическую реакцию, обеспечивая более раннее развитие рубцовой ткани на месте погибшего участка органа.
ДОПОЛНИТЕЛЬНО
Источник финансирования. Авторы заявляют об отсутствии внешнего финансирования при проведении исследования.
Конфликт интересов. Авторы декларируют отсутствие явных и потенциальных конфликтов интересов, связанных с публикацией настоящей статьи.
Вклад авторов. Все авторы подтверждают соответствие своего авторства международным критериям ICMJE (все авторы внесли существенный вклад в разработку концепции, проведение исследования и подготовку статьи, прочли и одобрили финальную версию перед публикацией). Наибольший вклад распределён следующим образом: И.И. Малышев — концепция и дизайн исследования, сбор и обработка материала, написание и редактирование текста; О.В. Альпидовская, Л.П. Романова — сбор и обработка материала, написание и редактирование текста статьи.
ADDITIONAL INFORMATION
Funding source. This study was not supported by any external sources of funding.
Competing interests. The authors declare that they have no competing interests.
Authors’ contribution. All authors made a substantial contribution to the conception of the work, acquisition, analysis, interpretation of data for the work, drafting and revising the work, final approval of the version to be published and agree to be accountable for all aspects of the work. I.I. Malyshev — created the concept and design of the study, collected and processed the material, writing and editing the text; О.V. Alpidovskayа, L.P. Romanova — collected the data and performed the analysis, writing and editing the text.
About the authors
Igor I. Malyshev
Mari State University
Email: malichev_med@mail.ru
ORCID iD: 0000-0001-8930-5537
SPIN-code: 5905-5397
MD, Dr. Sci. (Med.), Professor
Russian Federation, Yoshkar-OlaOlga V. Alpidovskaya
I.N. Ulianov Chuvash State University
Author for correspondence.
Email: olavorobeva@mail.ru
ORCID iD: 0000-0003-3259-3691
SPIN-code: 5084-1379
MD, Cand. Sci. (Med.), Associate Professor
Russian Federation, CheboksaryLyubov P. Romanova
I.N. Ulianov Chuvash State University
Email: samung2008@yandex.ru
ORCID iD: 0000-0003-0556-8490
SPIN-code: 7016-7283
Cand. Sci. (Biol.), Associate Professor
Russian Federation, CheboksaryReferences
- Babaeva AG. Regeneracija: fakty i perspektivy. Moscow: Izdatel’stvo RAMN; 2009. 336 p.
- Liozner LD. Regeneracija i razvitie. Moscow: Nauka; 1982. 167 p.
- Gichev JuP, Graudinja ZhP. Kul’tura tkani pecheni v gepatologii. Novosibirsk: Novosibirskoe otdelenie izdatel’stva “Nauka”; 1986. 87 p.
- Elchaninov A, Lokhonina A, Vishnyakova P, et al. MARCO+ macrophage dynamics in regenerating liver after 70% liver resection in mice. Biomedicines. 2021;9(9):1129. doi: 10.3390/biomedicines9091129
- Shmakova TV, Kananykhina EYu, Bolshakova GB. Cellular mechanisms of scarless healing of the skin of mammals. Clinical and Experimental Morphology. 2019;8(2):5–11. doi: 10.31088/2226-5988-2019-30-2-5-11
- Kananykhina YeYu, Bolshakova GB. Completeness of skin regeneration during wound healing on the back and abdomen of rats. Morphology. 2019;155(2):141–142.
- Han M, Yong X, Allan CH. Development and regeneration of the neonatal digit tip in mice. Dev Biol. 2008;315(1):5123–5132. doi: 10.1016/j.ydbio.2007.12.025
- Muneoka K, Allan CH, Yang X, et al. Mammalian regeneration and regenerative medicine. Birth Defects Res C Embryo Today. 2008;84(4):264–280. doi: 10.1002/bdrc.20137
- Mast BA, Albanese CT, Kapadia S. Tissue repair in the fetal intestinal tract occurs with adhesions, fibrosis, and neovascularization. Ann Plast Surg. 1998;41(2):140–144. doi: 10.1097/00000637-199808000-00005
- Douglas-Denton R, Moritz KM, Bertram JF, Wintour EM. Commpensatory renal growth after unilateral nephrectomy in the ovine fetus. J Am Soc Nephrol. 2002;13(2):406–410. doi: 10.1681/ASN.V132406
- Bolshakova GB. Proliferation of cardiomyocytes in fetuses of rats in the norm and after heart injury. Bulletin of Experimental Biology and Medicine. 2008;145(4): 487–489.
- Elchaninov AV, Bolshakova GB, Kananyhina YeYu. Regeneration of various organs of mammals in the prenatal period. Clinical and Experimental Morphology. 2015;(2):44–49.
- Kosovtsova NV, Bashmakova NV, Markova TV, Potapov NN. A variant of intrauterine correction of complications of hypoplastic syndrome of the left heart. Russian Bulletin of Obstetrician-Gynecologist. 2015;15(1):56–59.
- Sufianov AA, Bashmakova NV, Kosovcova NV, et al. Endoscopic intrauterine ventriculocysternostomy with hydrocephalus in the fetus at the 28th week of pregnancy. Pediatriya. Zhurnal im G.N. Speranskogo. 2020;99(1):24–31. doi: 10.24110/0031-403X-2020-99-1-24-31
- Malyshev II. Morphological characteristics of recovery processes in the myocardium of rabbit fetuses after mechanical trauma. Byulleten’ Eksperimental’noj Biologii i Mediciny. 1975;80:111–113.
- Patent RUS N 2262135/10.10.2005. Byul. N 28. Romanova LP, Malyshev II. A method for modeling mechanical damage to the liver in laboratory animals for the subsequent study of its regeneration. Available from: G09B 23/28(2006.01)
- Sarkisov DS. The current stage of the discussion on the problem of myocardial regeneration. Ontogenez. 1973;4(2):115–122.
- Sidorova VF, Bol’shakova GB. Osobennosti rosta i vosstanovlenija miokarda mlekopitajushhih. In: Babaeva AG. Kletochnye osnovy regeneracii u mlekopitajushhih. Moscow: Nauka; 1984. P. 18–40.
- Rumjancev PP. Kardiomiocity v processah reprodukcii differencirovki i regeneracii. Leningrad: Nauka; 1982. 288 p.
- Elchaninov AV. Migration, proliferation and apoptosis as key processes in the formation of a population of macrophages in the regenerating liver. Russian Journal of Transplantology and Artificial Organs. 2021;23(S):137.
Supplementary files







